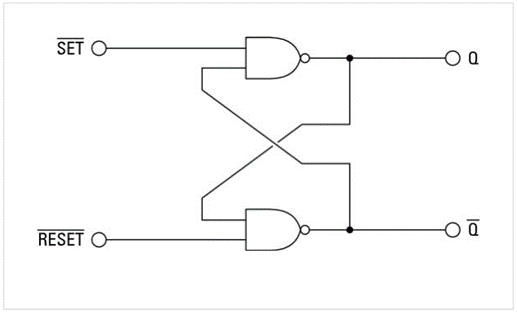
Zoals eerder al opgemerkt resulteert de detectie via een Hall effect sensor, in tegenstelling tot een reed relais, in een zeer kortdurend signaal. Wanneer er meer sensoren gepolld moeten worden lijkt het mij geen denkbeeldig probleem dat er detecties gemist worden! Vandaar dat ik bedacht heb om achter elke Hall sensor een SR-latch-schakeling te plaatsen. Een SR-latch zorgt ervoor dat de detectie, dus bijvoorbeeld een “0” op de lijn (Set) vastgehouden wordt, waarna de status uitgelezen en vervolgens gewist (Reset) kan worden.


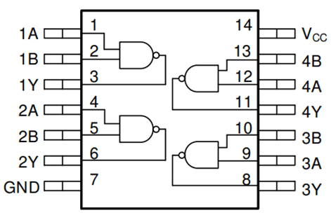
Latches zijn in chipvorm te koop (bijvoorbeeld de 74LS279 zoals hierboven), maar zijn ook zelf door middel van NOR of NAND-gates samen te stellen. Ik heb een aantal 74HC00’s besteld om ermee te experimenteren. Dus … later meer hierover.



